itthon / Termék / NYOMÁS / SDPB intelligens egykristályos szilícium nyomáskülönbség-nyomás távadó
Rólunk

Ningbo Qingyang Automation Technology Co., Ltd.

Yuyao Huangong automatizálási műszergyár

2000-ben alakult, ipari automatizálási termékekre specializálódott. Után több éves fejlesztés során kifejlesztett egy sorozatot stabil és megbízható, megfizethető, alkalmas mindenféle ipari automatizálás mérésére és nyomásszabályozására távadó, hőmérséklet távadó és szinttávadó.

  • 20+

    Éves tapasztalat

  • 1000+ �O

    Századkörlet

  • 200+

    Csapattagok

  • 30+

    Export ország

Becsület

  • honor
  • honor
  • honor
  • honor
  • honor
Hírközpont
A kategória iparági ismereteinek bővítése
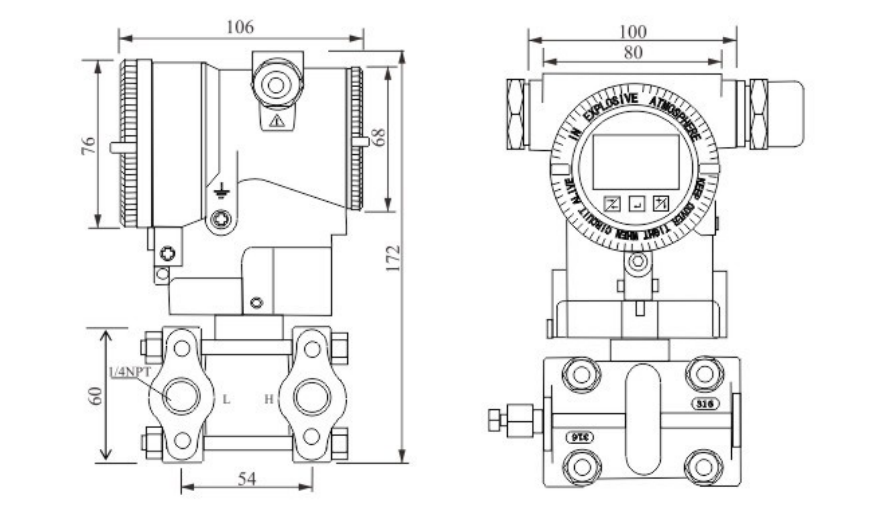
Mi az SDPB intelligens egykristályos szilícium nyomáskülönbség-nyomás távadó
Az SDPB a "Szilícium nyomáskülönbség-nyomás távadó egykristályos membránnal és intelligens kompenzációval" rövidítése. Ez egyfajta nyomástávadó, amelyet nyomáskülönbség (két nyomáspont közötti különbség) mérésére terveztek különféle ipari alkalmazásokban.
Az SDPB legfontosabb jellemzője az egykristályos szilícium membrán használata. A membrán egy vékony, rugalmas membrán, amely a távadóban két nyomáskamrát választ el. Amikor a membránon belüli nyomáskülönbség megváltozik, az elhajlik, és ezzel arányos változást hoz létre a távadó elektromos teljesítményében.
Az egykristályos szilícium használata nagy pontosságot és stabilitást tesz lehetővé széles hőmérséklet- és nyomástartományban. Ezenkívül a távadó intelligens kompenzációs funkciója segít figyelembe venni a hőmérséklet változásait és más környezeti tényezőket, amelyek befolyásolhatják a nyomásmérés pontosságát.
SDPB intelligens egykristályos szilícium nyomáskülönbség-nyomás távadó használata
A SDPB intelligens egykristályos szilícium nyomáskülönbség-nyomás távadó gyakran használják különféle ipari alkalmazásokban, ahol pontos és megbízható nyomásmérés szükséges. Az SDPB adók néhány általános felhasználási területe:
1. Olaj- és gázfeldolgozás: Az SDPB távadók nyomáskülönbség mérésére szolgálnak olaj- és gázvezetékekben, finomítókban és más feldolgozó létesítményekben. Ez lehetővé teszi a kezelők számára, hogy figyelemmel kísérjék a folyadékok és gázok áramlását a rendszeren keresztül, és biztosítsák, hogy minden zökkenőmentesen működjön.
2. Vegyi feldolgozás: A vegyi feldolgozó üzemekben SDPB távadókat használnak a reakcióedényekben, desztillációs oszlopokban és más kritikus berendezésekben uralkodó nyomás figyelésére és szabályozására. Ez segít abban, hogy a kémiai reakciók zökkenőmentesen menjenek végbe, és hogy a termék minősége egyenletes legyen.
3. HVAC rendszerek: Az SDPB távadók nyomáskülönbség mérésére szolgálnak fűtési, szellőztetési és légkondicionáló (HVAC) rendszerekben. Ez lehetővé teszi az épületvezetők számára, hogy kényelmes és egészséges beltéri környezetet tartsanak fenn a lakók számára.
Az SDPB intelligens egykristályos szilícium nyomáskülönbség-nyomás távadó előnyei
A SDPB intelligens egykristályos szilícium nyomáskülönbség-nyomás távadó számos előnyt kínál más típusú nyomástávadókkal szemben, többek között:
1.Nagy pontosság: Az egykristályos szilícium membrán használata nagyon nagy pontosságot tesz lehetővé a nyomásmérésben, jellemzően a teljes skála 0,1%-áig terjedő pontossággal. Ez a pontossági szint alkalmassá teszi az SDPB távadót olyan alkalmazásokban való használatra, ahol a pontos nyomásmérés kritikus.
2.Széles tartomány: Az SDPB távadók széles tartományban képesek nyomáskülönbségeket mérni, jellemzően 10 000 psi-ig. Ezáltal különféle ipari alkalmazásokban használhatók, az alacsony nyomású alkalmazásoktól, például a HVAC-rendszerektől a nagynyomású alkalmazásokig, például az olaj- és gázfeldolgozásig.
3. Magas stabilitás: Az egykristályos szilícium membrán kiváló hosszú távú stabilitást biztosít még zord környezetben is. Ez lehetővé teszi, hogy a távadó idővel megőrizze pontosságát és megbízhatóságát anélkül, hogy gyakori újrakalibrálásra lenne szükség.

Contact Us

*We respect your confidentiality and all information are protected.